Предыдущий
Страница на этапе разработки
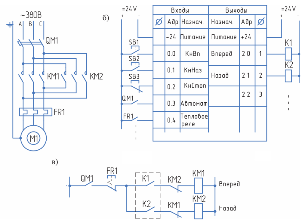
В данном уроке мы рассмотрим как преобразовать электрическую схему управления двигателем в програvмный код для PLC.
За основу возьмем схему включения двигателя с реверсным управлением:
Данная схема обеспечивает:
1. Пуск двигателя по часовой стрелке или против при нажатии кнопки SB1 или SB2.
2. Останов двигателя при нажатии кнопки SB3.
3. Защита двигателя при помощи автомата QM1.
4. Тепловую защиту при помощи теплового реле FR1.
5. Нулевая защита контактами QM1 от автомата QM1.
Прежде чем писать программный код, преобразуем схему для работы ее с PLC: